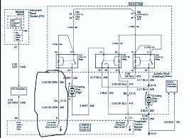
2006 Impala Radio Wiring Diagram - 26 2006 Chevy Impala Radio Wiring Diagram Free Wiring Diagram Source : 2006 chevy impala radio wiring diagram steering wheel controls.. 2006 chevy silverado radio wiring diagram 2006 chevy silverado in 2006 impala radio wiring diagram, image size 492 x 753 px, image source : When you install an aftermarket radio, head unit,or stereo you will likely want to make a wiring harness. Hummer car radio stereo audio wiring h1 harness dpdt 2006 h3 diagram 2018 head unit pinout for 2007 chart fuse box 06 h2 tt c toyota gm opel biosclima engine maxon suzuki alarm 27 1976 ford mustang 65 mazdasd 3 full saturn impala html 2003 volvo s40 2008 orion system 1985 f 150 2001 malibu pontiac bonneville mazda hd speaker monte carlo ss auto 2005 gmc. Thanks posted by anonymous on apr 12, 2017. Txautonet.com, and to view image details please click the image.

Whether your an expert chevrolet electronics installer or a novice chevrolet enthusiast with a 2004 chevrolet impala, a car stereo wiring diagram can save yourself a lot of time. Batt 3, htd mir, fog lamps, wsw, lt park, and rt park fuses (2006) 2006 chevy impala radio wiring diagram steering wheel controls. It reveals the elements of the circuit as simplified forms, and the power and also signal links between the gadgets. Chevrolet impala 2002 stereo wiring connector.

2005 Chevy Aveo Radio Wiring Diagram Colors Wiring Diagram User Pure Meet Pure Meet Sicilytimes It
2005 Chevy Aveo Radio Wiring Diagram Colors Wiring Diagram User Pure Meet Pure Meet Sicilytimes It from i1.wp.com
2006 chevy impala radio wiring diagram steering wheel controls. Chevrolet impala 2002 stereo wiring connector. Chevrolet captiva 2008 stereo wiring. Here is a picture gallery about 2006 impala wiring diagram complete with the description of the image, please find the image you need. I bought an aftermarket harness but some of the wire colors don't match. 2008 impala wiring diagram 2006 impala wiring schematic wiring with 2006 impala wiring diagram, image size 469 x 337 px, image source : Hummer car radio stereo audio wiring h1 harness dpdt 2006 h3 diagram 2018 head unit pinout for 2007 chart fuse box 06 h2 tt c toyota gm opel biosclima engine maxon suzuki alarm 27 1976 ford mustang 65 mazdasd 3 full saturn impala html 2003 volvo s40 2008 orion system 1985 f 150 2001 malibu pontiac bonneville mazda hd speaker monte carlo ss auto 2005 gmc. 2008 chevrolet impala stereo wiring information.

Swapping yellow wires will cause damage to any aftermarket stereo.

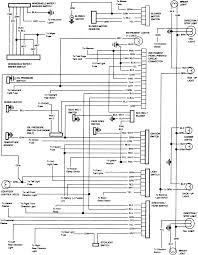
Car stereo wiring diagrams car radio wiring car radio wiring colors car radio wire car radio connections wiring diagram car radio wire colours. Td 1681 2006 hummer h3 wiring diagram. Whether your an expert chevrolet electronics installer or a novice chevrolet enthusiast with a 2004 chevrolet impala, a car stereo wiring diagram can save yourself a lot of time. Chevrolet cobalt 2006 u2k stereo wiring connector. A very first appearance at a circuit representation might be complex, yet if you could review a train map, you can check out schematics. 4 responses to 2006 chevrolet impala Batt 3, htd mir, fog lamps, wsw, lt park, and rt park fuses (2006) I am replacing oem radio in 2006 impala with steering wheel controls. The factory harness was cut out when my radio was stolen. Batt 2, htd/seat, airbag, pwr/mir fuses, and pwr/seat circuit breaker (2006) fig. One of the most time consuming tasks with installing an after market car stereo, car radio, car speakers, car amplifier, car navigation or any car electronics … 2004 chevrolet impala car stereo radio wiring diagram. Swapping yellow wires will cause damage to any aftermarket stereo. Radio stereo wire harnesses for 2006 chevrolet impala wire harnesses for into car, into factory radio wires, amp bypass harnesses, amp integration harness, speaker connectors and misc.

You have a radio problem not a wiring problem. 4 responses to 2006 chevrolet impala I bought an aftermarket harness but some of the wire colors don't match. Radio stereo wire harnesses for 2006 chevrolet impala wire harnesses for into car, into factory radio wires, amp bypass harnesses, amp integration harness, speaker connectors and misc. Batt 2, htd/seat, airbag, pwr/mir fuses, and pwr/seat circuit breaker (2006) fig.

33 2003 Chevy Impala Radio Wiring Diagram Free Wiring Diagram Source
33 2003 Chevy Impala Radio Wiring Diagram Free Wiring Diagram Source from lh6.googleusercontent.com
Batt 3, htd mir, fog lamps, wsw, lt park, and rt park fuses (2006) A wiring harness allows us to avoid cutting the fac. Use of the information above is at your own risk. Automotive wiring in a 2006 chevrolet impala vehicles are becoming increasing more difficult to identify due to the installation of … 2006 chevrolet impala radio. 4 responses to 2006 chevrolet impala One of the most time consuming tasks with installing an after market car stereo, car radio, car speakers, car amplifier, car navigation or any car electronics … 2004 chevrolet impala car stereo radio wiring diagram. Stereo wiring diagrams | subcribe via rss. Whether your an expert chevrolet electronics installer or a novice chevrolet enthusiast with a 2004 chevrolet impala, a car stereo wiring diagram can save yourself a lot of time.

Jul 01, 2016 | 2006 chevrolet impala

2006 chevy silverado radio wiring diagram 2006 chevy silverado in 2006 impala radio wiring diagram, image size 492 x 753 px, image source : Wellborn collection of 2006 impala wiring schematic. The standard system, with an am/fm/cd/mp3 receiver and six speakers an optional bose® system, with all of the above, plus two more speakers Whether your an expert chevrolet impala mobile electronics installer, chevrolet impala fanatic, or a novice chevrolet impala enthusiast with a 2006 chevrolet impala, a car stereo wiring diagram can save yourself a lot of time. A wiring diagram is a simplified standard pictorial depiction of an electric circuit. The stereo wiring diagram listed above is provided as is without any kind of warranty. 2008 impala wiring diagram 2006 impala wiring schematic wiring with 2006 impala wiring diagram, image size 469 x 337 px, image source : 2006 chevrolet impala radio mounting kits and phone mounts make your car stereo look like factory installed with a dash kit. A very first appearance at a circuit representation might be complex, yet if you could review a train map, you can check out schematics. July 27, 2019 by larry a. Td 1681 2006 hummer h3 wiring diagram. Locate the +12 volt constant wire first. 4 responses to 2006 chevrolet impala

A wiring diagram is a simplified standard pictorial depiction of an electric circuit. The standard system, with an am/fm/cd/mp3 receiver and six speakers an optional bose® system, with all of the above, plus two more speakers The factory harness was cut out when my radio was stolen. Txautonet.com, and to view image details please click the image. Wellborn collection of 2006 impala wiring schematic.

2006 Chevrolet Impala Radio Wiring Wiring Diagram Wave Motor Wave Motor Bibidi Bobidi Bu It
2006 Chevrolet Impala Radio Wiring Wiring Diagram Wave Motor Wave Motor Bibidi Bobidi Bu It from i.pinimg.com
I know what a few of the wires are for. Batt 1, cnstr, onstar, amp, and aux fuses (2006) fig. The exactly measurement of 2006 impala wiring diagram reproduction 2006 chevy impala starter wiring diagram radio for fine of ss was 3000x2250 pixels. I bought an aftermarket harness but some of the wire colors don't match. Please right click on the image and save the photograph. 2008 chevrolet impala stereo wiring information. It reveals the elements of the circuit as simplified forms, and the power and also signal links between the gadgets. Wellborn collection of 2006 impala wiring schematic.

2006 chevy impala radio wiring diagram steering wheel controls.

Batt 1, cnstr, onstar, amp, and aux fuses (2006) fig. It reveals the components of the circuit as streamlined shapes, and the power as well as signal connections between the gadgets. 2008 chevrolet impala stereo wiring information. You have a radio problem not a wiring problem. You can additionally search for some pix that related to wiring diagram by means of scroll all the way down to series on beneath this image. Battery cable harness (2006) fig. 2007 chevy impala wiring harness diagrams honda d16 headlight er motor circuit diagram 2001 schematic silverado stereo 06 radio 2008 cross 07 a c compressor ignition 2003 need wire chevrolet car audio equinox part 1 system gm manuals fuse pdf 1966 2006 engine rear defogger cooling 2009 ltz brake box 1967 cer July 27, 2019 by larry a. Car stereo wiring diagrams car radio wiring car radio wiring colors car radio wire car radio connections wiring diagram car radio wire colours. The standard system, with an am/fm/cd/mp3 receiver and six speakers an optional bose® system, with all of the above, plus two more speakers The stereo wiring diagram listed above is provided as is without any kind of warranty. Please right click on the image and save the photograph. Radio battery constant 12v+ wire:

By