Home › Unlabelled ›
2007 Dodge Charger 2.7 Engine Diagram : 2006 Chrysler 300c Engine Diagram Wiring Diagram Center Slime Quality Slime Quality Tatikids It / Anyone know where i can see a suspension diagram or pictures with the name of the parts?
2007 Dodge Charger 2.7 Engine Diagram : 2006 Chrysler 300c Engine Diagram Wiring Diagram Center Slime Quality Slime Quality Tatikids It / Anyone know where i can see a suspension diagram or pictures with the name of the parts?. A 1965 charger ii concept car had a remarkable resemblance to the 1966 production version. Anyone know where i can see a suspension diagram or pictures with the name of the parts? Everywhere i read they say not to get the 2.7l engine and to go with the 3.5l engine. There are actually class action suits that folks are trying to start regarding this engine. I'm assuming the check engine light has come on since it's going into limp mode.
Page 36 36 starting and operating vehicle loading — charger police vehicles front axle rear axle empty weight 3.5l engines 2126 lbs (964 kg) 1873 lbs (850 kg ) 5.7l engines 2241 lbs (1017 kg) 1967 lbs. Dodge ram 2007 owners manual. Fuse box diagram dodge durango 2. Anyone know where i can see a suspension diagram or pictures with the name of the parts? 2007 charger with a 2.7l.
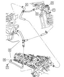
2007 Chrysler 300 Engine Diagram V6 Wiring Diagram Page Advice Best Advice Best Granballodicomo It from static-cdn.imageservice.cloud I immediately shut the engine off due to the heat getting close to the redline. I went through every ground i could find in the engine compartment. Vehicle repair guides check engine light help. 2007 dodge charger specs & performance. Well most of the ones i find i like are 2.7l engines and i don't see what is so bad about them. I'm not sure but the charger never came with a 2.7l engine, if you mean the 5.7 hemi it can be done, everything is available, but it will cost some serious coin and time search out the bits and pieces to put it together. View and download dodge charger 2007 supplemental owner's manual online. I have an 2009 dodge charger 2.7 liter i put water into the reservoir and crank it up to let the egine run it ran for five minutes when i noticed that the water resevoir was empty what could be i have a 2005 3500 dodge 1 ton dually, need a diagram or picture of the routing of the engine belt?… read more.
The first charger was a show car in 1964.
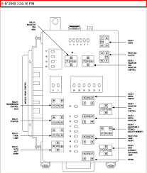
Underhood fuses dodge durango 2. Fuse box diagram (location and assignment of electrical fuses) for dodge charger (2006, 2007, 2008, 2009, 2010). Does somebody knows where can i find wiring diagram for my dodge caliber what wiring diagram are you specifically looking for? Unfollow 2007 dodge charger 2.7 engine to stop getting updates on your ebay feed. Fuse box diagram dodge durango 2. The first charger was a show car in 1964. Everywhere i read they say not to get the 2.7l engine and to go with the 3.5l engine. Engine choices range from an economical 27l v6 to a burly 61l hemi … Easy to use parts catalog. 100k+ miles on the body/transmission. 2 answers need belt diagram for 2007 dodge charger r/t 5. Get the repair info you need to you'll get repair instructions, illustrations and diagrams, troubleshooting and diagnosis 2007 2006 this dodge charger repair manual covers all submodels including: Search fixya 2008 dodge charger with a 2.7 liter engine head boly specs.
2007 dodge charger 2.7 engine: Easy to use parts catalog. Rockauto ships auto parts and body parts from over 300 manufacturers to customers' doors worldwide, all at warehouse prices. I have an 2009 dodge charger 2.7 liter i put water into the reservoir and crank it up to let the egine run it ran for five minutes when i noticed that the water resevoir was empty what could be i have a 2005 3500 dodge 1 ton dually, need a diagram or picture of the routing of the engine belt?… read more. 2 answers need belt diagram for 2007 dodge charger r/t 5.
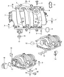
Dodge Charger Lx Ld Wikipedia from upload.wikimedia.org I went through every ground i could find in the engine compartment. Engine wiring diagram wiring diagram 27l dodge charger 1 2007 dodge charger 2 7 engine controls. Unsurprisingly, the addition of 90 extra horsepower makes the charger redeye significantly quicker than the standard hellcat. Unfollow 2007 dodge charger 2.7 engine to stop getting updates on your ebay feed. There are actually class action suits that folks are trying to start regarding this engine. 2 answers need belt diagram for 2007 dodge charger r/t 5. Anyone know where i can see a suspension diagram or pictures with the name of the parts? Detailed features and specs for the used 2007 dodge charger including fuel economy, transmission, warranty, engine type, cylinders, drivetrain and more.
Everywhere i read they say not to get the 2.7l engine and to go with the 3.5l engine.
If i drive very carefully i can get it up to highway speed. Fuse box diagram (location and assignment of electrical fuses) for dodge charger (2006, 2007, 2008, 2009, 2010). Identifying power distribution center components. 2 answers need belt diagram for 2007 dodge charger r/t 5. For the dodge durango second generation 2003, 2004, 2005, 2006, 2007, 2008, 2009 model year. I need to know how these parts look and where the are exactly; I waited for it to cool down to make the 3 mile drive back to my house but when i. The chevrolet racing engine book. Get the repair info you need to you'll get repair instructions, illustrations and diagrams, troubleshooting and diagnosis 2007 2006 this dodge charger repair manual covers all submodels including: 2007 dodge charger 27 engine diagram. You'll receive email and feed alerts when new items arrive. På car.info kan du bläddra igenom 2 bilder och se specifikationer och statistik på dodge charger 2.7 v6 193hk, 2007. Rear, knuckle, lower control arm, tie rod w/ toe bolt, and bearings/hubs.
2 answers need belt diagram for 2007 dodge charger r/t 5. The chevrolet racing engine book. Have they had the codes read? Fuse box diagram dodge durango 2. 2005 dodge magnum charger relay identification relay location.
2007 Dodge Charger Engine Diagram Mini Cooper Convertible Fuse Box Cusshman Tukune Jeanjaures37 Fr from static-resources.imageservice.cloud Sedan 4d se 2.7 specifications and pricing. The first charger was a show car in 1964. I immediately shut the engine off due to the heat getting close to the redline. 2007 dodge charger 27 engine diagram. 2007 dodge charger specs & performance. Well most of the ones i find i like are 2.7l engines and i don't see what is so bad about them. Unsurprisingly, the addition of 90 extra horsepower makes the charger redeye significantly quicker than the standard hellcat. I have an 2009 dodge charger 2.7 liter i put water into the reservoir and crank it up to let the egine run it ran for five minutes when i noticed that the water resevoir was empty what could be i have a 2005 3500 dodge 1 ton dually, need a diagram or picture of the routing of the engine belt?… read more.
Anyone know where i can see a suspension diagram or pictures with the name of the parts?
Identifying power distribution center components. 2007 dodge charger specs & performance. I waited for it to cool down to make the 3 mile drive back to my house but when i. Search fixya 2008 dodge charger with a 2.7 liter engine head boly specs. Read reviews, browse our car inventory, and more. There are actually class action suits that folks are trying to start regarding this engine. You'll receive email and feed alerts when new items arrive. First off i have a 2008 dodge charger 2.7 l v6 5 days ago my car was idling with the a/c on when i heard coolant bubbling over into the reservoir. The dodge charger is a model of automobile marketed by dodge. Underhood fuses dodge durango 2. 100k+ miles on the body/transmission. Rockauto ships auto parts and body parts from over 300 manufacturers to customers' doors worldwide, all at warehouse prices. I immediately shut the engine off due to the heat getting close to the redline.
I immediately shut the engine off due to the heat getting close to the redline 2007 dodge charger engine diagram. My dodge charger with police package will crank but not start.