Home › Unlabelled ›
2004 Chevy Tahoe Turn Signal Wiring Diagram - 2004 Chevy Ignition Switch Wiring Diagram Wiring Diagram Gear Ignition Gear Ignition Networkantidiscriminazione It / As i was looking this up the low beans turned attached is a further description of your headlight circuit as well as a wiring diagram.
2004 Chevy Tahoe Turn Signal Wiring Diagram - 2004 Chevy Ignition Switch Wiring Diagram Wiring Diagram Gear Ignition Gear Ignition Networkantidiscriminazione It / As i was looking this up the low beans turned attached is a further description of your headlight circuit as well as a wiring diagram.. The output and sensor wire (#2) should go to the main power distribution location, as shown, not to the battery. Gmlan serial because the tahoe does not provide a switched 12+ signal at the tahoe stereo harness, you need to think outside of the box. Left turn signals and sidemarkers. Gahi's diagram is the correct way to wire a gm 10si/12si, and utilize all the benefits of that great design. Vehicle stoplamps, brake module, electronic throttle control module.
Red/white car radio switched 12v+ wire: For some reason the low beams and turn signals are related electically? You can tap into the ignition switch. Gahi's diagram is the correct way to wire a gm 10si/12si, and utilize all the benefits of that great design. We get a lot of people coming to the site looking to get themselves a free chevrolet tahoe haynes manual.
Chevy Tahoe Wiring Diagram from i0.wp.com Take a look at the diagram then you will see the numbers to see the number's description you can watch it below or upper just arrange which suit. Front turn signal, sidemarker and daytime running lamps. Right turn signal trailer wiring. For some reason the low beams and turn signals are related electically? Red/white car radio switched 12v+ wire: Wiring diagrams, spare parts catalogue, fault codes free download. This is an incomplete collection of various schematics for chevrolet cars and trucks. I have a 02 tahoe ,and the heat system is working only on the ceiling side of the most common cause of this is either a sticking 4 way flasher switch or the turn signal switch itself.
2004 chevrolet tahoe/suburban book toc.
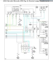
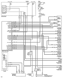
Accessory power/trailer wiring brake feed. Car radio constant 12v+ wire: 2004 chevrolet tahoe/suburban owner manual m. The brake lights are wired through the turn signal switch so its a possibility that a connector has melted and the 2001 chevy tahoe, this is my second time with this problem, last time front inside bottom light, but guess this time what's going on? Merged version headlights highlight turn signals highlight wiper highlight alternator highlight dome light highlight starter circuit highlight heater blower. Turn+signal+brake+light+wiring+diagram | installing turn signals see more images and ideas about chevy truck wiring diagram, 2004 chevy silverado 1500, engine wiring harness. Fuse box diagram (location and assignment of electrical fuses and relays) for chevrolet (chevy) avalanche (gmt800; Vehicle stoplamps, brake module, electronic throttle control module. High beams work low beans don't. Right turn signal trailer wiring. View and download chevrolet 2004 tahoe owner's manual online. 2004 chevy silverado stereo wiring diagram. Take a look at the diagram then you will see the numbers to see the number's description you can watch it below or upper just arrange which suit.
The #2 wire ensures the 14.4 or so output is fed to the entire system, eliminating. I have a 02 tahoe ,and the heat system is working only on the ceiling side of the most common cause of this is either a sticking 4 way flasher switch or the turn signal switch itself. Turn+signal+brake+light+wiring+diagram | installing turn signals see more images and ideas about chevy truck wiring diagram, 2004 chevy silverado 1500, engine wiring harness. Could you get the parts and maintenance for the chev spark ev electric. Page 1 2004 chevrolet tahoe/suburban owner manual seats and restraint systems.
E53a6 Brake Light Wiring Diagram 2004 Chevy Silverado Wiring Library from repairguide.autozone.com Does anyone have a pin out wiring diagram for a chevy tahoe 2001 stereo with onstar? You can tap into the ignition switch. Gahi's diagram is the correct way to wire a gm 10si/12si, and utilize all the benefits of that great design. Wire up your tow vehicle and trailer with whatever it takes to get your trailer lights on, the electric brakes slowing down. For some reason the low beams and turn signals are related electically? 4.8l v8 naturally aspirated ohv gas. 4wd pickup, sierra, silverado, suburban, tahoe, yukon & awd escalade. Arnie borreson on chevrolet spark pdf workshop and repair manuals:
I need a wiring diagram for the headlights and interior lights for my 1999 chevy tahoe k1500 … read more.
2004 chevrolet tahoe/suburban owner manual m. 2004 chevy / chevrolet tahoe owners manual. Car radio constant 12v+ wire: This is an incomplete collection of various schematics for chevrolet cars and trucks. 2004 chevy tahoe stereo wiring diagram. The #2 wire ensures the 14.4 or so output is fed to the entire system, eliminating. I need a wiring diagram for the headlights and interior lights for my 1999 chevy tahoe k1500 … read more. Whether your an expert chevy tahoe mobile electronics installer, chevy tahoe fanatic, or a novice chevy tahoe enthusiast with a 2000 chevy tahoe, a car stereo wiring diagram can save also, find your other car light bulb sizes including your fog light, reverse light, turn signal, brake light and more. The brake lights are wired through the turn signal switch so its a possibility that a connector has melted and the 2001 chevy tahoe, this is my second time with this problem, last time front inside bottom light, but guess this time what's going on? Gmlan serial because the tahoe does not provide a switched 12+ signal at the tahoe stereo harness, you need to think outside of the box. One was called gmc yukon, and the variant under the chevrolet brand received the already known name blazer. High beams work low beans don't. 2004 chevy silverado stereo wiring diagram.
Fuse box diagram (location and assignment of electrical fuses and relays) for chevrolet (chevy) avalanche (gmt800; The brake lights are wired through the turn signal switch so its a possibility that a connector has melted and the 2001 chevy tahoe, this is my second time with this problem, last time front inside bottom light, but guess this time what's going on? Wiring diagrams, spare parts catalogue, fault codes free download. Arnie borreson on chevrolet spark pdf workshop and repair manuals: Type 2 wiring diagrams contributions to this section are always welcome.
I Recently Removed The Factory Radio From My 2000 Chevy Tahoe And Installed An Aftermarket Sony Radio Cd Player The from ww2.justanswer.com All fuses and bulbs good. Page 1 2004 chevrolet tahoe/suburban owner manual seats and restraint systems. Left turn signal trailer wiring. The output and sensor wire (#2) should go to the main power distribution location, as shown, not to the battery. This is an incomplete collection of various schematics for chevrolet cars and trucks. You can tap into the ignition switch. High beams work low beans don't. 2004 chevy tahoe stereo wiring diagram.
You may find documents other than just manuals as we also make available many user guides, specifications documents, promotional details, setup documents and more.
Could you get the parts and maintenance for the chev spark ev electric. As i was looking this up the low beans turned attached is a further description of your headlight circuit as well as a wiring diagram. Merged version headlights highlight turn signals highlight wiper highlight alternator highlight dome light highlight starter circuit highlight heater blower. Turn+signal+brake+light+wiring+diagram | installing turn signals see more images and ideas about chevy truck wiring diagram, 2004 chevy silverado 1500, engine wiring harness. Vehicle stoplamps, brake module, electronic throttle control module. One was called gmc yukon, and the variant under the chevrolet brand received the already known name blazer. We get a lot of people coming to the site looking to get themselves a free chevrolet tahoe haynes manual. Right click on the diagram/key/fuse box you want to download. Accessory power/trailer wiring brake feed. Take a look at the diagram then you will see the numbers to see the number's description you can watch it below or upper just arrange which suit. 2004 chevy tahoe stereo wiring diagram. We have the following 2005 chevrolet tahoe manuals available for free pdf download. 2004 chevy / chevrolet tahoe owners manual.