Home › Unlabelled ›
2001 Ford Ranger Engine Diagram - 2000 Ford Ranger, the a/c only blows out of the defroster ... / Get the most useful specifications data and other technical specs for the 2001 ford ranger reg cab 2.3l xl.
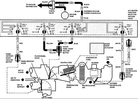
2001 Ford Ranger Engine Diagram - 2000 Ford Ranger, the a/c only blows out of the defroster ... / Get the most useful specifications data and other technical specs for the 2001 ford ranger reg cab 2.3l xl.. Get the most useful specifications data and other technical specs for the 2001 ford ranger reg cab 2.3l xl. Ford takes its compact truck to the edge. Ranger vacuum diagram also 1995 ford ranger parts diagrams. Consult the engine block heater section for proper use of the engine block heater. Question about 2001 ford ranger regular cab.
Please let us know if you need anything else to get the problem fixed. Get the most useful specifications data and other technical specs for the 2001 ford ranger reg cab 2.3l xl. Ford's 2.0/2.3/2.5 litre lima engine family. « 2001 escape features and options 2007 ford explorer specifications ». 2000 ford ranger engine diagram ford auto wiring.
2001 Ford Ranger 3.0 Firing Order Diagram from diagramweb.net Ford ranger 2001 workshop manual electric ranger. Detailed ford ranger engine and associated service systems (for repairs and overhaul) (pdf) ford ranger wiring diagrams we get a lot of people coming to the site looking to get themselves a free ford ranger haynes. Free ford wiring diagrams for your car or truck engine electrical system troubleshooting schematics free ford wiring diagrams ford wiring diagrams we are proud to have the ability to make vehicle specific free wiring. Alibaba.com offers 1,100 ford ranger 2.5 engine products. Ranger vacuum diagram also 1995 ford ranger parts diagrams. Consult the engine block heater section for proper use of the engine block heater. 3.0 l and 4.0 l engines (if equipped ). Get the most useful specifications data and other technical specs for the 2001 ford ranger reg cab 2.3l xl.
Alibaba.com offers 1,100 ford ranger 2.5 engine products.
Activities and vehicle modifications appearing or described at the ranger station and it's pages may be potentially dangerous. Performance & general engine building. Detailed ford ranger engine and associated service systems (for repairs and overhaul) (pdf) ford ranger wiring diagrams we get a lot of people coming to the site looking to get themselves a free ford ranger haynes. The engine block heater is available as a ford option and can also be obtained from your ford dealer. « 2001 escape features and options 2007 ford explorer specifications ». 1998 ford ranger fuse box diagram. Ford's 2.0/2.3/2.5 litre lima engine family. You are extremely lucky as your ranger 2.5 l is not an interference engine so you will have no internal engine damage. Alibaba.com offers 1,100 ford ranger 2.5 engine products. Get the most useful specifications data and other technical specs for the 2001 ford ranger reg cab 2.3l xl. Popular 2001 ford ranger of good quality and at affordable prices you can buy on aliexpress. Ford ranger fiyatları & modelleri sahibinden.com'da. 2001 ford ranger ev wiring manual.
Ranger vacuum diagram also 1995 ford ranger parts diagrams. 3.0 l and 4.0 l engines (if equipped ). Похожие запросы для ford ranger 2.3 engine diagram. The power distribution box is located in the engine compartment. Ford ranger 2.5l gas 2001, main bearing set by enginetech®.
I have a 1997 Ford Ranger truck with a 4-cylinder engine ... from ww2.justanswer.com Bus engine diagram further brake line. Question about 2001 ford ranger regular cab. Please let us know if you need anything else to get the problem fixed. 2001 ford ranger owners manual. The oil pump is a critical component of the internal combustion engine. This is the typical ignition system wiring diagram for the 1998, 1999, 2000, and 2001 2.5l ford ranger and mazda b2500. Performance & general engine building. Ranger vacuum diagram also 1995 ford ranger parts diagrams.
This is the typical ignition system wiring diagram for the 1998, 1999, 2000, and 2001 2.5l ford ranger and mazda b2500.
Testing the ignition coils, to see if they're causing a misfire condition is not hard. Electrical problem 2001 ford ranger 4 cyl two wheel drive manual. Detailed ford ranger engine and associated service systems (for repairs and overhaul) (pdf) ford ranger wiring diagrams we get a lot of people coming to the site looking to get themselves a free ford ranger haynes. 3.0 l and 4.0 l engines (if equipped ). The engine block heater is available as a ford option and can also be obtained from your ford dealer. The power distribution box is located in the engine compartment. This is the typical ignition system wiring diagram for the 1998, 1999, 2000, and 2001 2.5l ford ranger and mazda b2500. Ford ranger 2.5l gas 2001, main bearing set by enginetech®. Performance & general engine building. Consult the engine block heater section for proper use of the engine block heater. 2000 ford ranger engine diagram ford auto wiring. Create diagram fast with 99 ford ranger 2 3l engine diagram wiring diagram. About 2% of these are air filters, 1% are auto water pump, and 3% are turbocharger & parts.
3.0 l and 4.0 l engines (if equipped ). Please let us know if you need anything else to get the problem fixed. Question about 2001 ford ranger regular cab. Alibaba.com offers 1,100 ford ranger 2.5 engine products. › see all products in tools & equipment.
AAMIDIS.blogspot.com: Ford Ranger Wl Wiring Diagram from detoxicrecenze.com Ford ranger 2.5l gas 2001, main bearing set by enginetech®. Check out the diagrams (below). « 2001 escape features and options 2007 ford explorer specifications ». 2001 ford ranger ev wiring manual. Detailed ford ranger engine and associated service systems (for repairs and overhaul) (pdf) ford ranger wiring diagrams we get a lot of people coming to the site looking to get themselves a free ford ranger haynes. Ranger vacuum diagram also 1995 ford ranger parts diagrams. The power distribution box is located in the engine compartment. Consult the engine block heater section for proper use of the engine block heater.
Free ford wiring diagrams for your car or truck engine electrical system troubleshooting schematics free ford wiring diagrams ford wiring diagrams we are proud to have the ability to make vehicle specific free wiring.
Ford ranger 2001 workshop manual electric ranger. Ford's 2.0/2.3/2.5 litre lima engine family. Performance & general engine building. Похожие запросы для ford ranger 2.3 engine diagram. Create diagram fast with 99 ford ranger 2 3l engine diagram wiring diagram. The power distribution box is located in the engine compartment. View and download ford 2001 ranger owner's manual online. 2001 ford ranger ev wiring manual. Question about 2001 ford ranger regular cab. Ford takes its compact truck to the edge. Detailed ford ranger engine and associated service systems (for repairs and overhaul) (pdf) ford ranger wiring diagrams we get a lot of people coming to the site looking to get themselves a free ford ranger haynes. Check out the diagrams (below). Advanced technology in the last few years has produced huge improvements in aluminum bearings.