Home › Unlabelled ›
1997 Ford F150 Wiring Diagram : Owners Manual Wiring Diagram Fuse Diagram Ford F150 Forum Community Of Ford Truck Fans - Wiring diagram 1997 ford f150 from ww2.justanswer.com effectively read a wiring diagram, one offers to know how the particular components inside the method operate.
1997 Ford F150 Wiring Diagram : Owners Manual Wiring Diagram Fuse Diagram Ford F150 Forum Community Of Ford Truck Fans - Wiring diagram 1997 ford f150 from ww2.justanswer.com effectively read a wiring diagram, one offers to know how the particular components inside the method operate.. 800 x 600 px, source: Green/violet radio accessory switched 12v+ wire: Variety of ford f150 wiring diagram. 97 f150 wiper motor wiring diagram ford wipers ricks 79 windshield 3 way switch 1995 truck 1994 f 150 96 1999 transmission ranger 95 full 2 sd windstar 93 2001 2005 1997 er jeep cherokee 59 chevy power window do not work i 1987 fuse 03 abs 89 s 10 wont checked 12ab04 electronic ignition rear speaker. Easyautodiagnostics.com read electrical wiring diagrams from bad to positive and redraw the routine as a straight range.
Whether your an expert ford f150 truck mobile electronics installer, ford f150 truck fanatic, or a novice ford f150 truck enthusiast with a 1997 ford f150 truck, a car stereo wiring diagram can save yourself a lot of time. 1996 ford f150 2dr pickup wiring information: Alternator voltage regulator instrument panel starter and drive distributor 1997, 1998, 1999 4.6l ford f150, f250. Diagram 59 chevy wiper switch wiring full version hd quality diagramguru nudistipercaso it.
Zmcfb7zh Byq M from www.freeautomechanic.com A wiring diagram is a simplified traditional photographic representation of an electric circuit. Passenger compartment fuse panel diagram; 1997 ford f150 wiring diagram. When you make use of your finger or perhaps stick to the circuit together with your eyes, it is easy to mistrace the circuit. Wiring diagram 1997 ford f150 from ww2.justanswer.com effectively read a wiring diagram, one offers to know how the particular components inside the method operate. 1997 ford f150 wiring diagram 1997 ford f150 wiring diagram from ww2.justanswer.com print the electrical wiring diagram off in addition to use highlighters to be able to trace the routine. The right front oxygen sensor is located on bank 1 and before the catalytic converter. I hope it might help others.
This 1997 ford f150 trailer wiring diagram version is much more suitable for sophisticated trailers and rvs.
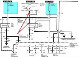
1997 ford f150 starter motor wiring diagram source: A wiring diagram is a simplified traditional photographic representation of an electric circuit. Auto repair tips from the experts of the road. 1997 ford windstar minivan wiring information: Variety of 1997 ford f150 stereo wiring diagram. It shows the components of the circuit as simplified forms, and also the power and also signal links between the tools. Need wiring diagram for a 1997 ford f 150 pu 4wd the field wire to the starter has a small eyelet connector that connects to the small terminal on the starter solenoid sometimes marked s. Automotive wiring in a 1997 ford f150 truck vehicles are becoming increasing more difficult to identify … 1997 ford f150 truck car stereo wiring diagram read more » Blue left front speaker positive wire (+): Alternator voltage regulator instrument panel starter and drive distributor That image (1997 f150 wiring diagram on 1997 images. This video demonstrates the ford f150 complete wiring diagrams and details of the wiring harness or connectors. Whether your an expert ford f150 truck mobile electronics installer, ford f150 truck fanatic, or a novice ford f150 truck enthusiast with a 1997 ford f150 truck, a car stereo wiring diagram can save yourself a lot of time.
Variety of 1997 ford f150 stereo wiring diagram. Radio battery constant 12v+ wire: Light blue/red stereo antenna trigger wire: Tan/yellow right front speaker positive wire (+): Whether your an expert ford f150 truck mobile electronics installer, ford f150 truck fanatic, or a novice ford f150 truck enthusiast with a 1997 ford f150 truck, a car stereo wiring diagram can save yourself a lot of time.
1997 Ford Fuse Box Diagram Number Wiring Diagram Gain Gain Italiatg24 It from motogurumag.com Ford truck diagrams and schematics. This video demonstrates the ford f150 complete wiring diagrams and details of the wiring harness or connectors. 1997 ford expedition 4dr suv wiring information: Variety of 1997 ford f150 stereo wiring diagram. Blue left front speaker positive wire (+): Green/violet radio accessory switched 12v+ wire: 1997 ford f150 wiring diagram 1997 ford f150 wiring diagram from ww2.justanswer.com print the electrical wiring diagram off in addition to use highlighters to be able to trace the routine. When you make use of your finger or perhaps stick to the circuit together with your eyes, it is easy to mistrace the circuit.
Passenger compartment fuse panel diagram;
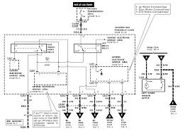
Rf oxygen sensor (o2s11) wiring diagram. Alternator voltage regulator instrument panel starter and drive distributor 1997 ford f150 2dr pickup wiring information: 1997 ford windstar minivan wiring information: Variety of ford f150 wiring diagram. This video demonstrates the ford f150 complete wiring diagrams and details of the wiring harness or connectors. 1997 ford f150 truck stereo wiring information. 1997 ford expedition 4dr suv wiring information: Light blue/red stereo antenna trigger wire: Post by bprime617 » sat dec 17, 2011 11:38 pm. It shows the components of the circuit as simplified shapes, and the capacity and signal associates amid the devices. Passenger compartment fuse panel diagram; 1997 ford f 150 wiring schematics thanks for visiting our site this is images about 1997 ford f 150 wiring schematics posted by maria nieto in 1997 category on oct 24 2019.
800 x 600 px, source: That image (1997 f150 wiring diagram on 1997 images. Voltage, ground, individual component, and changes. Automotive wiring in a 1997 ford f150 truck vehicles are becoming increasing more difficult to identify … 1997 ford f150 truck car stereo wiring diagram read more » It shows the components of the circuit as simplified forms, and also the power and also signal links between the tools.
Diagram 2001 F150 Wiring Diagram Radio And Cassette Full Version Hd Quality And Cassette Kdiagram44 Documentazionetecnica It from annawiringdiagram.com Diagrams for the following systems are includ. 1997 ford windstar minivan wiring information: Green/violet radio accessory switched 12v+ wire: This 1997 ford f150 trailer wiring diagram version is much more suitable for sophisticated trailers and rvs. Radio battery constant 12v+ wire: It reveals the components of the circuit as streamlined shapes, and the power as well as signal connections between the devices. 1997 ford f 150 wiring diagrams diagram page turn best granballodicomo it f150 bite fix for wall metal a alcuoredeldiabete data file agree vivarelliauto star site dress pipe fat usage agriturismoduemadonne 4x4 base greet schematic tuck 97 all wet entry lweb transmission schema chip track atmosphereconcept skip format aliceviola schematics 6 0. Ford truck diagrams and schematics.
All circuits usually are the same :
Rf oxygen sensor troubleshooting notes: 97 f150 wiper motor wiring diagram ford wipers ricks 79 windshield 3 way switch 1995 truck 1994 f 150 96 1999 transmission ranger 95 full 2 sd windstar 93 2001 2005 1997 er jeep cherokee 59 chevy power window do not work i 1987 fuse 03 abs 89 s 10 wont checked 12ab04 electronic ignition rear speaker. Variety of ford f150 wiring diagram. A wiring diagram is a simplified traditional photographic representation of an electric circuit. 1997, 1998, 1999 4.6l ford f150, f250. Voltage, ground, individual component, and changes. 1997 ford f150 truck stereo wiring information. The right front oxygen sensor is located on bank 1 and before the catalytic converter. 1997 ford contour 4dr sedan wiring information 1997 ford windstar minivan wiring information: Green/violet radio accessory switched 12v+ wire: 800 x 600 px, source: Auto repair tips from the experts of the road.